0577-62881116
13858863870
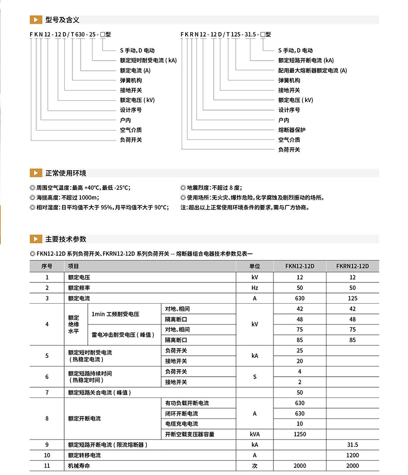
FKN12-12(D)/T630-25交流高压压式负荷开关
产品介绍 规格参数
FKN12-12(D)/T630-25交流高压压式负荷开关详情参数请咨询:0577-62881113 0577-62881116
二维码 关闭